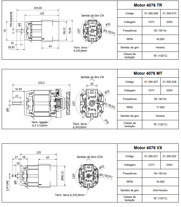
Descrição do Produto
Motores desenvolvidos para eletrodomésticos e também outros fins comerciais. A maioria dos modelos tem opção de voltagem 127V ou 220V. Todos tem frequência 50/60 hz. Alguns modelos operam no sentido horário e outros no sentido anti-horário. Entre as opções há motores que variam de 17.000 a 24.000 RPM. Tecnologia moderna, fabricação própria e garantia de qualidade.









